5 systeemschema's gevonden

aroTHERM plus;eloBLOCK
Cascade, Elektrisch ketel, Lucht-water warmtepomp buitendeel (monobloc)
Buffervat, Boiler
VRC 720, VWZ AI, VR 71, VR 92, VR 921
VWL 35/6;VWL 55/6;VWL 65/6;VWL 75/6;VWL 105/6;VWL 125/6;VE 6/14;VE 9/14;VE 12/14;VE 14/14;VE 18/14;VE 21/41;VE 24/14;VE 28/14
- Radiator: 1x gemengd

aroTHERM plus;eloBLOCK
Lucht-water warmtepomp buitendeel (monobloc), Elektrisch ketel
Buffervat, Boiler
VRC 720, VR 71, VR 921, VWZ AI
VWL 105/6;VWL 125/6;VE 6/14;VE 9/14;VE 12/14;VE 14/14;VE 18/14;VE 21/41;VE 24/14;VE 28/14
- Vloerverwarming: 1x gemengd

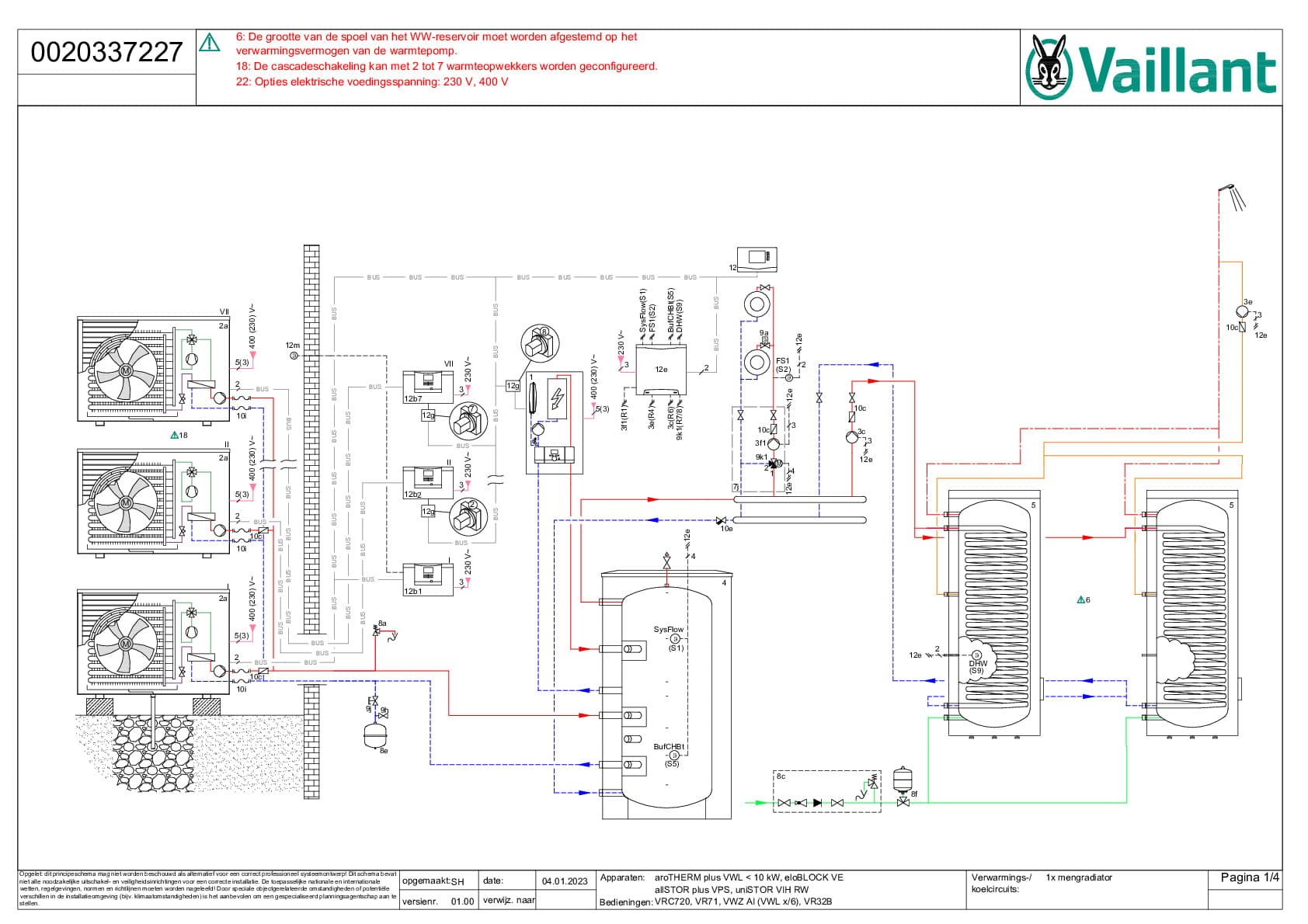
aroTHERM plus;eloBLOCK
Lucht-water warmtepomp buitendeel (monobloc), Elektrisch ketel, Cascade
Buffervat, Boiler
VWZ AI, VRC 720, VR 921, VR 71
VWL 35/6;VWL 55/6;VWL 65/6;VWL 75/6;VWL 105/6;VWL 125/6;VE 6/14;VE 9/14;VE 12/14;VE 14/14;VE 18/14;VE 21/41;VE 24/14;VE 28/14
- Vloerverwarming: 1x gemengd

aroTHERM plus;eloBLOCK
Lucht-water warmtepomp buitendeel (monobloc), Elektrisch ketel, Cascade
Buffervat
VWZ AI, VR 71, VR 92, VR 921, VRC 720
VWL 35/6;VWL 55/6;VWL 65/6;VWL 75/6;VWL 105/6;VWL 125/6
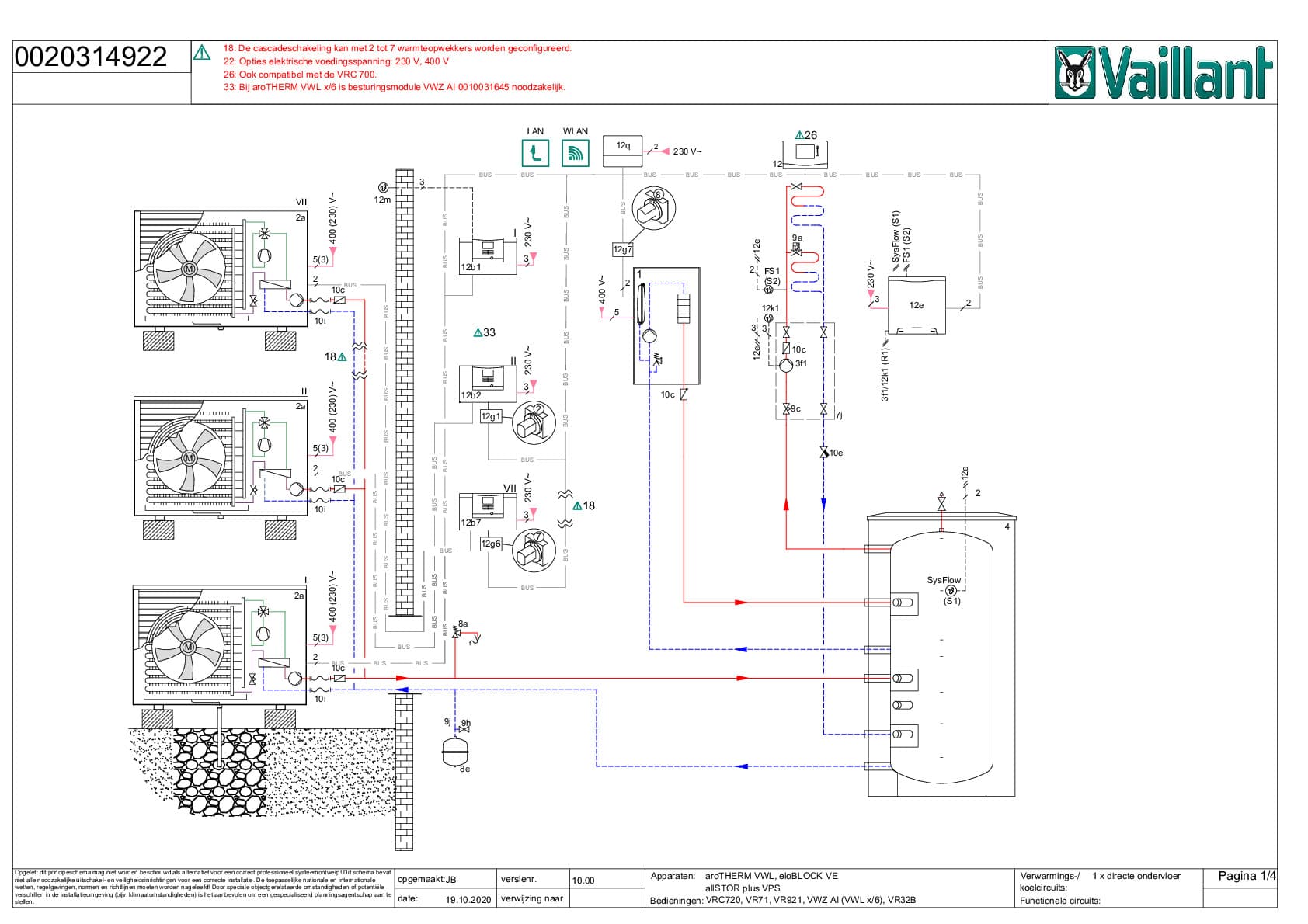
- Vloerverwarming: 1x direct

aroTHERM plus;eloBLOCK
Elektrisch ketel, Lucht-water warmtepomp buitendeel (monobloc), Cascade
Buffervat
VRC 720, VWZ AI, VR 71, VR 921
VWL 35/6;VWL 55/6;VWL 65/6;VWL 75/6;VWL 105/6;VWL 125/6;VE 6/14;VE 9/14;VE 12/14;VE 14/14;VE 18/14;VE 21/41;VE 24/14;VE 28/14
- Radiator: 1x direct