201 systeemschema's gevonden
⋯

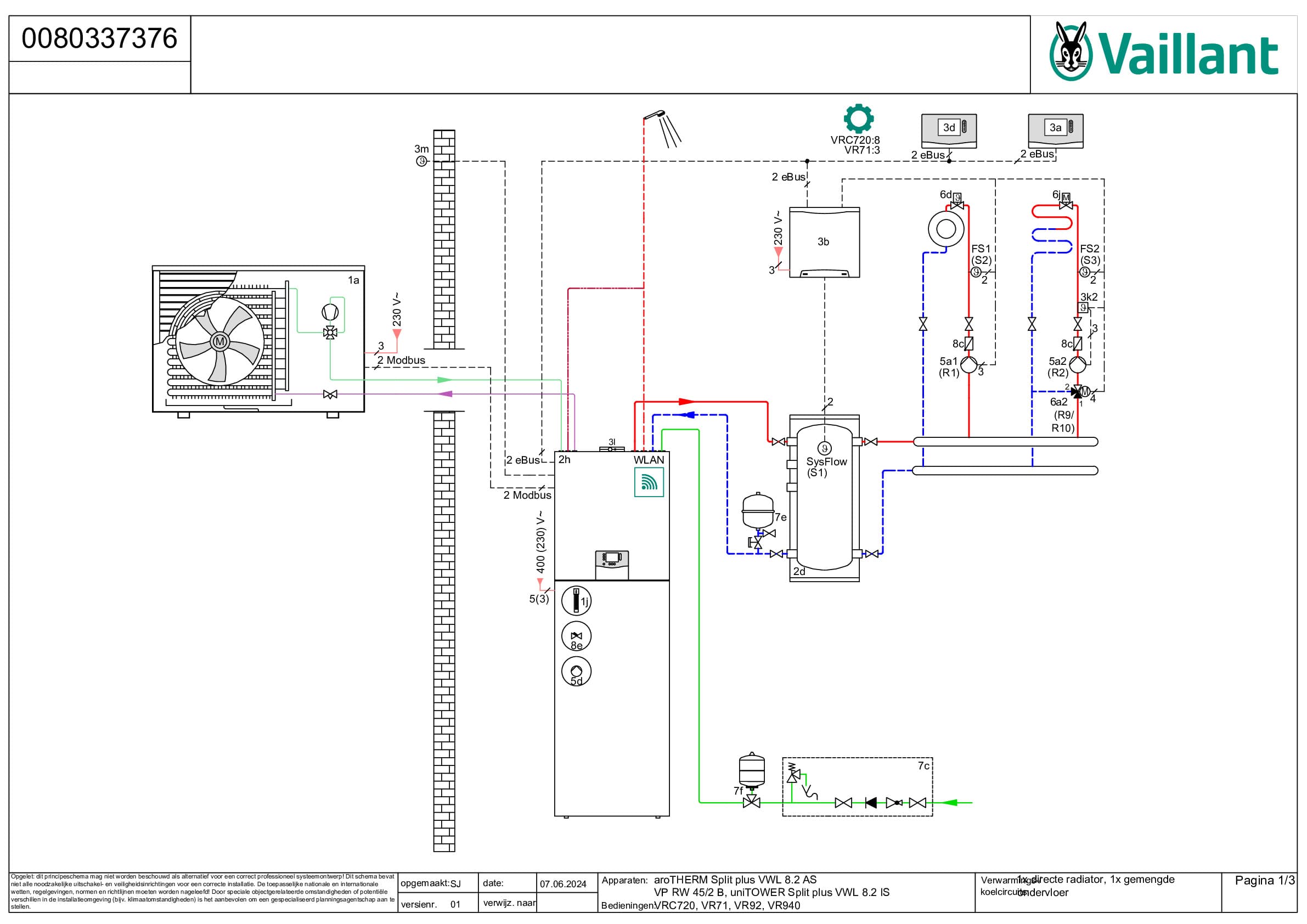
aroTHERM Split plus
Lucht-water warmtepomp (split)
Geïntegreerde tank, Boiler, Buffervat
VRC 720, VR 92, VR 71, VR 940f
VWL 35/8.2 AS;VWL 55/8.2 AS;VWL 75/8.2 AS
- Radiator: 1x direct
- Vloerverwarming: 1x gemengd

aroTHERM Split plus
Lucht-water warmtepomp (split)
Geïntegreerde tank, Boiler, Buffervat
VRC 720, VR 940f
VWL 35/8.2 AS;VWL 55/8.2 AS;VWL 75/8.2 AS
- Vloerverwarming: 1x direct

aroTHERM Split plus
Lucht-water warmtepomp (split)
Geïntegreerde tank, Boiler, serie buffer
VRC 720, VR 92, VR 940f
VWL 35/8.2 AS;VWL 55/8.2 AS;VWL 75/8.2 AS
- Radiator: 1x direct
- Vloerverwarming: 1x gemengd

aroTHERM Split plus
Lucht-water warmtepomp (split)
Geïntegreerde tank, Boiler, serie buffer
VRC 720, VR 92, VR 71, VR 940f
VWL 35/8.2 AS;VWL 55/8.2 AS;VWL 75/8.2 AS
- Vloerverwarming: 2x direct

aroTHERM Split plus
Lucht-water warmtepomp (split)
Buffervat, Boiler
VRC 720, VR 940f
VWL 35/8.2 AS;VWL 55/8.2 AS;VWL 75/8.2 AS
- Vloerverwarming: 1x direct
⋯